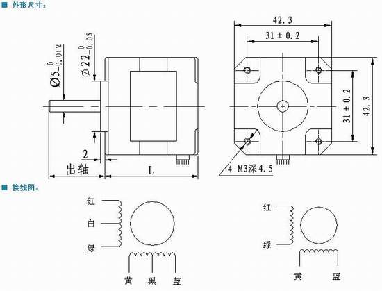
42BYG型永磁感應子式步進電機
企業信息
同類優質產品
更多+
產品分類
產品新聞
產品介紹
絕緣電阻:500VDC 100MΩ Min
絕緣強度:950VAC 50HZ 1mA 1Minute
溫 升:75K
環境溫度:-25~+40℃
絕緣等級:B
以上信息由企業自行提供,信息內容的真實性、準確性和合法性由相關企業負責,中國傳動網對此不承擔任何保證責任。 溫馨提示:為規避購買風險,建議您在購買產品前務必確認供應商資質及產品質量。
推薦產品
更多+
104ZD/106JB型永磁直
85ZD型永磁直流電機
80ZD型永磁直流電機
76ZD型永磁直流電機
63ZD/60WJ型永磁直流
63ZD型永磁直流電機























網站客服
粵公網安備 44030402000946號